- TOP
- > 製品検索
- > 同軸コネクタ(一般同軸)
- > SMA
- > SMA/4J
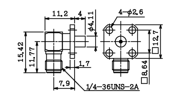
SMA/4J
製品名 | SMA/4J |
---|---|
製品番号 | 01K1070-10 |
タイプ | レセプタクル |
形状 | L型ジャック |
材質 | SUS |
メッキ | Ni |
端子形状 | タブ端子 |
周波数 | DC~10GHz |
RoHS | ○ |
備考 |
製品仕様
項目:Requirement | 規格:Specification | |
---|---|---|
電気的性能Electrical | 特性インピーダンス:Characteristic Impedance | 50Ω |
電圧定在波比:V.S.W.R. | DC〜18GHz Max 1.05+0.005f f:frequency range(GHz) | |
挿入損失:Insertion Loss | DC〜18GHz Max 0.03√f dB f:frequency range(GHz) | |
絶縁抵抗:Insulation Resistance | DC 500V Min 5000MΩ | |
耐電圧:Dielectric Withstanding Voltage | 1000V rms at Sea Level | |
接触抵抗:Contact Resistance | AC 50mA Max 3mΩ | |
コロナレベル:Corona Level | 高度21,336m(=70,000feet)と同等の気圧にて375V(実効値)の電圧を印加したときコロナ放電が生じない事。 375V(RMS) at min 21km (70k feet) |
|
機械的性能 Mechanical |
カップリング締め付けトルク:Coupling Proof Torque | 6〜10kg-cm |
カップリング固定強度:Coupling Nut Retention | Min 50kg | |
中心コンタクト保持力:Center Contact Mating | Min 100g | |
中心コンタクト固定力:Center Contact Retention | Min 3kg axial , Min 300g-cm radial | |
ケーブル引張強度:Cable Retention | 27kg以上で異常がない事 : min 27kg | |
コンタクト寿命:Contact Disconnect Life | 1000 Matings Contact Resistance Max 4mΩ |

この仕様は、SMAコネクタの中で代表的なものについて述べたものです。仕様詳細については、別途お問い合わせください。
This specification covers the typical items among the SMA connectors. Inquire separately for detailed specifications.
ケーブルAssyでの仕様は個別にお問い合わせください。
Please contact us for the cable assembly's specifications.
※表中の略記号について Regarding abbreviation symbols within the tables
SUS:Stainless steel (SUS303) BS:Brass Pv:Passivate Au:Gold plating Ni:Nickel plating
※注意…各コネクタに対応する周波数表記は、すべての品番に対応するものではありません。
Note : The frequency inscriptions on each connector do not correspond for all product numbers