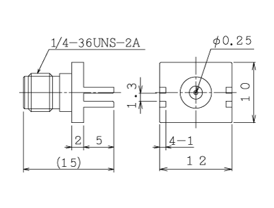
SMA/J

製品名 SMA/J
製品番号 01K1845-00
タイプ レセプタクル
形状 ジャック
材質 BS
メッキ Au
端子形状
周波数 DC~18GHz
RoHS
備考

製品仕様

項目:Requirement 規格:Specification
電気的性能Electrical 特性インピーダンス:Characteristic Impedance 50Ω
電圧定在波比:V.S.W.R. DC〜18GHz Max 1.05+0.005f f:frequency range(GHz)
挿入損失:Insertion Loss DC〜18GHz Max 0.03√f dB  f:frequency range(GHz)
絶縁抵抗:Insulation Resistance DC 500V Min 5000MΩ
耐電圧:Dielectric Withstanding Voltage 1000V rms at Sea Level
接触抵抗:Contact Resistance AC 50mA Max 3mΩ
コロナレベル:Corona Level 高度21,336m(=70,000feet)と同等の気圧にて375V(実効値)の電圧を印加したときコロナ放電が生じない事。
375V(RMS) at min 21km (70k feet)
機械的性能
Mechanical
カップリング締め付けトルク:Coupling Proof Torque 6〜10kg-cm
カップリング固定強度:Coupling Nut Retention Min 50kg
中心コンタクト保持力:Center Contact Mating Min 100g
中心コンタクト固定力:Center Contact Retention Min 3kg axial , Min 300g-cm radial
ケーブル引張強度:Cable Retention 27kg以上で異常がない事 : min 27kg
コンタクト寿命:Contact Disconnect Life 1000 Matings Contact Resistance Max 4mΩ

この仕様は、SMAコネクタの中で代表的なものについて述べたものです。仕様詳細については、別途お問い合わせください。
This specification covers the typical items among the SMA connectors. Inquire separately for detailed specifications.
ケーブルAssyでの仕様は個別にお問い合わせください。
Please contact us for the cable assembly's specifications.

※表中の略記号について Regarding abbreviation symbols within the tables
SUS:Stainless steel (SUS303) BS:Brass Pv:Passivate Au:Gold plating Ni:Nickel plating

※注意…各コネクタに対応する周波数表記は、すべての品番に対応するものではありません。
Note : The frequency inscriptions on each connector do not correspond for all product numbers

参考図・参考仕様書ダウンロード
個人情報入力フォーム

    特性・仕様は参考値です。

    記載製品の継続でのご使用にあたっては、弊社営業担当まで「納入仕様書」のご要求をお願い致します。

    *」は必須入力項目です。入力が抜けていると送信できません。

    • 氏名*

    • 会社名・団体名*

    • 部署名及び役職*

    • メールアドレス*

    • TEL(半角)*

    • 個人情報の取り扱いについて*

      個人情報保護方針

      株式会社ワカ製作所(以下、「当社」)は、個人情報の適切な管理が社会的に重要な責務であることを認識し、以下に定める個人情報保護方針に基づき、顧客、株主・投資家・当社従業員等(以下、併せて「お客様等」)の個人情報の適切な管理に努めてまいります。

      • ・当社は個人情報保護に関する法令その他社会的規範を遵守し、環境・法令の改正にあわせ継続的な改善に努めます。

      • ・当社は取得した個人情報を取扱う組織ごとに個人情報保護の責任者を置き、適切な管理に取り組みます。

      • ・当社は個人情報への不正アクセス、個人情報の紛失、破壊、改ざん及び漏えいなどを防止する為、セキュリティの確保・向上・是正に努めます。

      • ・当社はお客様等からご了解をいただいている場合、法令で認められている場合を除き、個人情報を第三者に提供または開示しません。

      • ・当社は従業員が個人情報の重要性を理解し、適切に扱うよう、適切かつ必要な教育を行います。

      • ・当社は個人情報の取扱いを第三者に委託する場合は、安全管理が図られるよう適切な管理を行います。

      • ・当社はお客様等から担当の窓口にご連絡いただいた場合、適切に対応いたします。

      • ・当社は個人情報の漏えい事故が発生した場合、お客様等の保護を最優先する考えのもと、被害を最小限にとどめるために、合理的な範囲で速やかに対応し、再発防止に取り組みます。

      制定日:2022年3月20日

      改定日:2022年4月1日

      代表取締役社長 若林 佳之助

      個人情報の取扱いについて

      1.個人情報等の取得と利用目的

      (1)当社は、お客様等の氏名・住所・電話番号・電子メールアドレス・勤務先情報(会社名・所属部署名・役職・住所・電話(FAX)番号等)・性別・当社HPへのアクセスログ(IPアドレス、coockie等)等の、取得した情報を次の目的のために利用します。

      • ・お客様等との契約上の責任の遂行

      • ・当社の事業目的に係る製品・サービスの開発・改善、販売・提供、マーケティング・販売促進

      • ・当社の事業目的に係る製品・サービス・活動に関する情報の提供

      • ・IR情報、その他当社および当社の事業活動に関する情報の提供

      • ・採用および人事管理

      • ・株主の管理ならびに法令に基づく権利行使および義務の履行

      • ・お問い合わせへの回答

      • ・その他上記目的の遂行に付随する業務

      (2)上記以外、個別に利用目的を明示した場合においては、その利用目的の達成のために個人情報を利用します。

      (3)当社は、業務の円滑な遂行のため、業務の一部を委託し、業務委託先に対して、必要な範囲で個人情報を提供することがあります。当社はこれらの業務委託先との間で情報の取扱いに関する契約の締結をはじめ適切な措置を講じ、個人情報の保護をはかります。

      2.個人情報の第三者提供

      (1)当社は次の場合を除き、お客様等の個人情報を第三者に提供しません。

      • ・お客様等の同意がある場合

      • ・法令に基づく場合

      • ・人の生命、身体又は財産の保護のために必要であり、お客様等の同意を取得することが困難な場合

      • ・利用目的の達成に必要な範囲で、個人情報の取扱いの全部または一部を委託する場合

      • ・合併その他の理由による事業の承継に伴い、個人情報を提供する場合

      • ・国の機関もしくは地方公共団体又はその委託を受けた者が法令の定める事務を遂行することに対して協力する必要がある場合に、お客様等の同意を得ることにより当該事務の遂行に支障を及ぼすおそれがあるとき

      3.安全管理のために講じた措置

      (1)個人情報保護方針等の策定

      • ・個人情報の適切な取り扱いの確保のため、「関連する法令や規範の順守」、「安全管理措置に関する事項」、「個人情報に関するお問い合わせ窓口」等について、「個人情報保護方針」を策定しています。

      (2)個人情報の取扱いに係る規律の整備

      • ・取得、利用、保存、提供、削除・廃棄等の取扱方法、責任者・担当者およびその任務等について「個人情報保護規程」を策定しています。

      (3)組織的安全管理措置

      • ・個人情報の取扱いの適正管理のため、個人情報保護管理者を定め、個人情報保護法や個人情報保護規程に違反している事実又は兆候を把握した場合の報告連絡体制を整備しています。

      • ・社内の個人情報管理が適切に実施されているか、定期的な監査を行っています。

      (4)人的安全管理措置

      • ・従業員等に対し、個人情報保護の重要性を理解させ、適切な運用をはかるため、継続的かつ定期的な教育を行います。

      (5)物理的安全管理措置

      • ・個人情報を扱う部署において、権限を有しない者による個人情報の閲覧を防止する措置を講じています。

      • ・個人情報が記録された電子媒体等の盗難等を防止する措置を講じています。

      (6)技術的安全管理措置

      • ・アクセス管理の実施により、担当者および取り扱う個人情報データベース等の範囲を限定しています。

      (7)外的環境の把握

      • ・当社は、外国において個人情報を取扱う場合には、当該外国の個人情報の保護に関する制度等を把握した上で、個人情報の安全管理のために必要かつ適切な措置を講じます。

      4.保有個人情報に関する開示・訂正・利用停止等について

      (1)当社の保有する個人情報に関して、お客様等からご自身の個人情報に関するお問い合わせがあった場合、またはお客様等の個人情報に誤りや変更があり、訂正・消去・利用停止等の申出があった場合、お客様等の個人情報漏えい防止のため、ご本人様であることを確認したうえで、合理的な期間及び範囲で、お問い合わせへの回答、個人情報の訂正・消去等をさせて頂きます。

      (2)これらの個人情報の一部または全部を消去または利用停止した場合、不本意ながらご要望に沿ったサービス・手続き等の提供ができなくなることがございますので、ご理解とご協力を賜りますようお願い申し上げます。

      (3)関連法令に基づき保有しております個人情報については、消去または利用停止の申出に応じられない場合があります。

      5.お問い合わせ窓口

      (1)当社がお預かりしたお客様等の個人情報について、または個人情報保護方針等についてのお問い合わせは、お問い合わせ入力フォームをご利用ください。

      6.個人情報取扱事業者

      名 称:株式会社ワカ製作所

      住 所:東京都新宿区西新宿一丁目20番3号

      代表者:若林 佳之助

      当社の事業目的

      • 1.電子機械用部品その他産業部品の製造、販売及び輸出入業務。

      • 2.合成樹脂の成型品の製造及び販売。

      • 3.プレス、成型用金型の製造及び販売。

      • 4.各種治工具の製造及び販売。

      • 5.電子機器の製造及び販売。

      • 6.不動産の管理、賃貸、仲介及び売買。

      • 7.労働者派遣業。

      • 8.前各号に附帯する一切の業務。